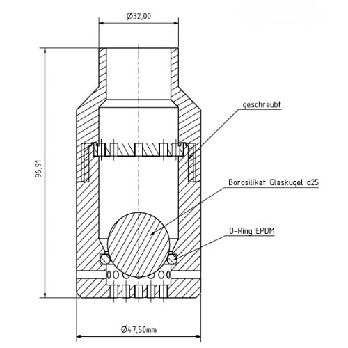
Die Kwerk GmbH, das führende B2B-Portal in der Kunststofftechnik, bietet eine breite Auswahl an Fußventilen aus hochwertigem PP, PE, PVDF und UPVC mit einer innovativen Borosilikat-Glaskugel. Diese Fußventile spielen eine entscheidende Rolle als Rückschlagventile in Saugleitungen, um den Rückfluss von Flüssigkeiten zuverlässig zu verhindern. Durch die Verwendung der Borosilikat-Glaskugel werden der Klappenmechanismus, die Rückschlagfunktion und die Haltefunktion optimal realisiert.
Das Funktionsprinzip eines Fußventils mit Borosilikat-Glaskugel ist wie folgt:
Einlassöffnung: Das Fußventil besitzt eine Öffnung am unteren Ende, die in die Flüssigkeit eintaucht. Dies ermöglicht den Eintritt des Mediums in die Saugleitung.
Klappenmechanismus: Im Inneren des Fußventils befindet sich eine Art Klappenbaugruppe, die durch die innovative Borosilikat-Glaskugel realisiert wird. Die Glaskugel dient als leichtes und effektives Element, das sich bei Flüssigkeitsströmung in Richtung der Pumpe öffnet und so den Durchfluss ermöglicht.
Rückschlagfunktion: Sobald die Flüssigkeitsströmung gestoppt wird oder sich in die entgegengesetzte Richtung bewegt, schließt sich die Borosilikat-Glaskugel aufgrund ihres Gewichts oder einer integrierten Federspannung. Dadurch wird verhindert, dass die Flüssigkeit zurückfließt und in den Brunnen oder Behälter gelangt.
Haltefunktion: Die Borosilikat-Glaskugel gewährleistet auch nach dem Schließen eine zuverlässige Haltefunktion. Dadurch bleibt das Fußventil sicher verschlossen und verhindert ein unerwünschtes Zurückfließen des Mediums.
Die Verwendung der Borosilikat-Glaskugel in den Fußventilen der Kwerk GmbH garantiert eine präzise Funktion und einen zuverlässigen Schutz vor Rückfluss. Diese innovative Technologie gewährleistet eine optimale Leistung und lange Lebensdauer der Fußventile in verschiedenen Anwendungen.
|